При производстве бумаги гладкость поверхности является одним из важнейших показателей качества. Гладкий лист позволяет достичь высокого качества печати и уменьшает потребность в последующем каландрировании. Для этого требуется высокий уровень обезвоживания и равномерное давление на всех стадиях прессования. Процесс влажного прессования играет ключевую роль, так как он влияет не только на удаление воды, но и на структуру и гладкость листа. Исследования показали, что неровности и неравномерность прессового сукна влияют на распределение давления и, следовательно, на гладкость и обезвоживание бумаги. Известно, что микронеоднородность сукна влияет на качество поверхности, а среднемасштабная и крупномасштабная неоднородности — на равномерность давления и водоудаление. При этом неоднородность сукна может приводить к неравномерности влажности, что снижает общую эффективность прессования. Исследования также показали, что шероховатость и плотность сукна влияют на качество печати и содержание сухих веществ. Более грубые сукна обеспечивают меньшую гладкость бумаги и менее эффективное обезвоживание, тогда как более тонкие и плотные сукна улучшают оба показателя.
Экспериментальная часть
Для изготовления лабораторного образца использовалась установка Asten Johnson Gravity Sheet Former (GSF). Полученный лист прессовался на лабораторном двухвальцовом прессе, схема которого представлена на рис. 1.Верхний вал — плоский, из нержавеющей стали, диаметром 168 мм. Нижний вал также из нержавеющей стали и имеет тот же диаметр. Оба вала вращались со скоростью 1,3 м/с. Во время прессования использовались три уровня нагрузки: 44 кН/м, 66 кН/м и 88 кН/м. Исходя из динамических данных компрессионных испытаний прессового сукна с пиковым давлением 1500 кПа, пиковое контактное давление составляло примерно 850 кПа, 1200 кПа и 1500 кПа при трёх различных нагрузках.

Рис. 1. Лабораторный двухвалковый пресс
Типичная процедура обезвоживания включала следующие этапы:
- Изготовление лабораторного листа размером 75 × 80 мм, массой около 60 г/м² с помощью GSF.
- Удаление избыточной воды путём отделения листа от формующей сетки и вакуумного обезвоживания. После этого содержание сухих веществ составляло около 20 %.
- Испытуемое сукно полностью увлажнялось, затем пропускалось через лабораторный пресс при нагрузке 88 кН/м примерно 10 000 циклов для предварительной «приработки».
- Влажный лабораторный лист помещался на прессовое сукно и проходил через пресс при скорости 1,3 м/с. После прохода образец немедленно снимался.
- Лист сушился между формующей тканью и изогнутой металлической пластиной. Для предотвращения усадки при сушке прикладывалось небольшое натяжение.
После высушивания лист взвешивали и измеряли его гладкость по Шеффилду (Sheffield smoothness). Каждый эксперимент повторяли несколько раз. Было установлено, что воспроизводимость эксперимента превышала 0,4 %, а стандартное отклонение значений гладкости составляло менее 5 единиц Sheffield. Перед началом испытаний все сукна подвергались приработке в течение 10 000 циклов.
Результаты и обсуждение
Прессовое сукно представляет собой композитную структуру, состоящую из основы и иглопробитого волокнистого слоя (баттов). При анализе неравномерности структуры выделяют три характерных масштаба — микро, средний и макро уровни неоднородности.
Влияние микромасштабной неоднородности на обезвоживание и гладкость бумаги
Неоднородность первого типа в основном определяется грубостью волокон батта (диаметр волокон от 10 до 80 мкм). Для исследования влияния размера волокон батта на обезвоживание и гладкость листа были использованы три сукна (H, C и E), изготовленные с одинаковой массой основы (700 г/м²).Размер волокон в верхнем слое:
для сукна C — 58 мкм (30 дтекс) и 43 мкм (17 дтекс),
для сукна H — 19 мкм (3 дтекс) и 29 мкм (8 дтекс).
Использовались три уровня нагрузки: 44 кН/м, 66 кН/м и 88 кН/м. С увеличением нагрузки содержание сухих веществ в листе и его гладкость возрастали.

Рис. 2. Влияние размера волокна в слое на плотность и гладкость листа. H: 19/29 мкм; C: 43 мкм; E: 58 мкм.
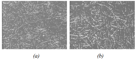
Мелкие волокна создают более равномерное давление и меньше переувлажнение, что улучшает процесс обезвоживания. Gullbrand предположил, что существует взаимодействующий слой между бумагой и прессовым сукном. Этот слой состоит из сжатых и несжатых областей. Присутствие механических напряжений в несжатых зонах подразумевает, что эти участки будут иметь более низкую степень обезвоживания, так как вода из них выжимается лишь частично. Хотя в литературе не обнаружено данных о влиянии размера волокон батта на гладкость бумаги, неудивительно, что при уменьшении размера волокон поверхность листа становится более гладкой. На рисунке 3 показана топография поверхности листов, отпрессованных при 88 кН/м через два сукна — H и E. Из фотографий видно, что волокна батта создают вмятины на поверхности бумаги и снижают её гладкость. Более крупные волокна вызывают более грубую поверхность листа.

Рис. 3. Топография листа, отпрессованного сукном H с мелкими волокнами (a) и сукном E с грубыми волокнами (b)
Влияние неоднородности среднего масштаба на обезвоживание и гладкость бумаги
Второй тип неоднородности имеет размер 0,5–3 мм (средний масштаб). Такая неоднородность обычно связана с неровностью поверхности основы сукна (например, следами от игл) или с различиями в плотности батта. Участки с более жёсткой основой и меньшим содержанием волокон будут обладать иными свойствами сжатия, чем зоны с большим количеством пряжи, что создаёт локальные различия давления. В этом исследовании была изучена зависимость между эффектом приработки (break-in) сукна и его влиянием на обезвоживание и гладкость бумаги — для демонстрации того, как неоднородность среднего масштаба влияет на оба процесса. Для испытаний использовались сукна после различного количества проходов через лабораторный пресс. На рисунке 4 показано, как изменяются содержание сухих веществ и гладкость по мере увеличения числа циклов приработки.
Рис. 4. Влияние числа циклов приработки на содержание сухих веществ и гладкость бумаги
Как видно из графика, и сухость, и гладкость увеличиваются с ростом числа циклов прессования. Это связано с тем, что сукно становится более плотным и твёрдым по мере увеличения количества циклов. При увеличении нагрузки можно ожидать, что лист станет более гладким, однако эксперимент показал, что с ростом числа циклов приработки лист действительно становится гладче, что подтверждается снижением показателя Sheffield smoothness.

Рис. 5. Влияние приработки сукна на контактную поверхность и микромасштабную неоднородность: (a) новое сукно, (b) после 43 000 циклов
На рисунке 5 показано сравнение поверхности сукна до и после 43 000 циклов приработки. Как видно на снимках, на микромасштабном уровне (0,5–3 мм) форма волокон становится более выраженной, а впадины (углубления) — более глубокими. Эти впадины приводят к снижению давления и повышению влажности локальных участков. В экстремальных случаях в зонах между «пиками» и «впадинами» могут образовываться области с более высокой влажностью и меньшим обезвоживанием.
Из-за того, что впадины или «карманы» присутствуют на поверхности сукна, лист, отпрессованный через него, испытывает неравномерные напряжения. На рисунке 7 показаны изображения поверхности бумаги, отпрессованной новым сукном (a) и тем же сукном после приработки (b). Подобно поверхности самого сукна, на бумаге видны пики и впадины с аналогальной структурой. Очевидно, что лист, отпрессованный новым сукном, выглядит более шероховатым, чем лист, изготовленный после приработки того же сукна. Из рисунка видно, что с увеличением количества циклов приработки сукно становится более гладким, и, соответственно, бумага приобретает более гладкую поверхность.

Рис. 6. Влияние приработки на неоднородность поверхности сукна: (a) новое сукно; (b) после 43 000 циклов

Рис. 7. Изображения поверхности листов, отпрессованных с использованием: (a) новой сукновальной ткани; (b) выдержанной (обкатанной) сукновальной ткани (после 43000 циклов)
Другой причиной неоднородности в среднем масштабе может быть структура основы сукна. Если основа грубая и волокна батта не полностью покрывают нити основы, различие в свойствах уплотнения между зонами батта и основой создаёт локальные различия давления. В результате зоны основы испытывают меньшее напряжение, чем участки с волокнами батта. Такие различия приводят к образованию отпечатков основы сукна (base fabric mark) на поверхности бумаги. На рисунке 8 показано, что при одинаковой структуре основы и одинаковом верхнем слое волокон сукно с более высокой поверхностной массой батта (1000 г/м²) обеспечивает лучшее обезвоживание, чем сукно с массой 600 г/м².

Рис. 8. Влияние массы волокон батта на сухость и гладкость бумаги (A: 600 г/м², B: 1000 г/м²)
На рисунке 9 сравнивается равномерность давления для сукон A и B при нагрузке 1200 кПа. Для сукна A хорошо различимы следы основы, что говорит о неравномерности распределения давления во время прессования. При использовании сукна B таких следов нет — оно обеспечивает более равномерное сжатие и, следовательно, лучшее обезвоживание и более гладкую поверхность листа.

Рис. 9. Сравнение равномерности давления сукон A и B (образец 2" × 2")
Влияние крупномасштабной неоднородности на обезвоживание и гладкость бумаги
Неоднородность в крупном масштабе (5–15 мм) встречается реже, чем микро- или среднеразмерная, но она особенно характерна для сукон с низкой поверхностной массой батта. Причиной такой неоднородности может быть неравномерное распределение батта между верхним и нижним слоями основы или неравномерное отслоение волокон батта. Крупномасштабная неоднородность оказывает наиболее выраженное влияние на однородность обезвоживания и гладкость бумаги, но до сих пор она изучена в меньшей степени.Рисунок 10 показывает изображение сукна под проходящим светом. Общая масса плашки составляет 600 г/м². Аналогично формированию бумаги, в сукне имеются участки «флоков» и «пустот». Размер флоков и пустот находится в диапазоне от нескольких миллиметров до 15 мм. Чтобы определить разницу в обезвоживающих свойствах между областями флоков и пустот, использовался небольшой образец газетной бумаги. Образцы вырезались на кусочки размером 15×15 мм. Они взвешивались и замачивались в воде на 24 часа. После удаления воды образцы помещали между валками лабораторного двухвалкового пресса с нагрузкой 44 кН/м. После прессования измеряли массу и рассчитывали содержание сухих веществ.

Рис. 10. Изображения двух сукон под проходящим светом. Размер красных рамок составляет около 15–20 мм
На рисунке 10 показаны средние значения содержания сухих веществ в областях флоков (позиции 1 и 3) и пустот (позиции 2 и 4) после шести повторных измерений. Эти данные также приведены на рисунке 11 для наглядного сравнения. Легко заметить, что содержание сухих веществ в областях флоков на 4,6–8% выше, чем в областях пустот. Для измерения разницы в давлении между флоками и пустотами использовался датчик Tekscan. Он измеряет давление с помощью тонкой плёнки с пересекающимися проводящими линиями. Каждое пересечение формирует ячейку, чувствительную к давлению. На рисунке 12 показано распределение давления по поверхности сукна размером около 8,5×6 см. Среднее давление в областях флоков (позиции 1 и 3) составило 369 и 302 кПа, тогда как в областях пустот (позиции 2 и 4) — 287 и 271 кПа.

Рис. 11. Содержание сухих веществ в листах в различных точках сукон. По горизонтали: положение образца (Sample Positions), по вертикали: содержание сухих веществ (%) (Sheet Solids (%))

Рис. 12. Распределение давления в областях флоков и пустот сукна
Выводы:
Результаты исследования показали, что крупномасштабная неоднородность структуры сукна существенно влияет на распределение давления и, как следствие, на обезвоживание. Различие между «флоками» и «пустотами» вызывает неравномерное распределение влаги в отпрессованном листе бумаги.Если после прессования происходит неравномерное высыхание, лист становится шероховатым. Однако если разница во влажности мала, поверхность бумаги получается более гладкой. Было установлено, что при увеличении равномерности структуры сукна (уменьшении размера флоков) повышается содержание сухих веществ, и лист после прессования становится более плотным и ровным. В то же время, если войлок не обеспечивает равномерного давления на основе (base), обезвоживание ухудшается. Местное давление в областях флоков может быть вдвое выше, чем в областях пустот.
